Skip to content
Notifications
Clear all

[Sticky] USB-C Microphone (official topic)

1,117 Posts
180 Users
280 Reactions
166.5 K Views
(@minhd)
Posts: 5
Active Member
 

I'm still having trouble with my mic. I build the whole setup but get no sound at all. Not even noise. All components are the same and I have followed all steps according to the DIY Perks video. The only change is that I used an audio socket to connect the output of the circuit to the audio jack of the usb audio interface. Also connected the two pins of gain since it only serves as the sensitivity for the mic.

I have done the following:

  1. The yellow capacitors look different but they are bipolar/non-polarised 22uf so I should work the same. These were also tested with special equipment (device used to check capacitors).
  2. I checked the solder work and looked for any unwanted bridges between the copper lanes.
  3. Checked all resistors for continuity.
  4. I tested the usb audio interface with a different mic connected to the pc and it worked fine.
  5. I tried measuring the output that is supposed to connect to the usb audio interface and get around 10V but it gradually goes down to something like 0.7V. This value does not change when I talk into the mic. I fear that in the worst case the mic capsule might be broken. Is this a valid assumption?

I haven't checked the THAT1512 chip because I don't really know how to test it. Same for the NMA0515SC, but since I measured 10V I believe there is nothing wrong with it.

I feel like I'm very close. It might be something simple or something I overlooked.

IMG 20220924 153909
IMG 20220921 133928
IMG 20220924 153833
IMG 20220924 153946

 


This post was modified 3 years ago by MinHD
 
Posted : 24/09/2022 2:12 pm
BIO.S
(@bio-s)
Posts: 15
Active Member
 

Questions:

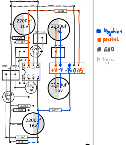
regarding the V- (pin 4) and V+ (pin 7) on the THAT1512 chip,
I see in the schematic that +15v (NMA0515SC) passes through a 100Ω resistor to V- (pin 4) and respectively with -15v to V+ (pin 7). (below 1st pic)
Based on what I know, shouldn't + go to + and - go to - ?
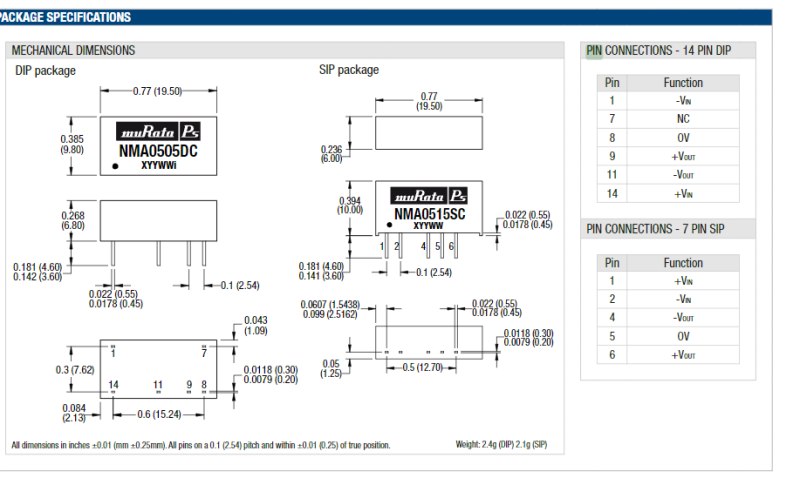
I'm saying this because I could not find a pinout for the NMA0515SC and instead used the reference in your video. (below 2nd pic)

I assumed your video was right but if it was a mistake could you label the unit + - in the schematic?

Thanks.

Screenshot 2022 09 24 222308
Screenshot 2022 09 24 222945

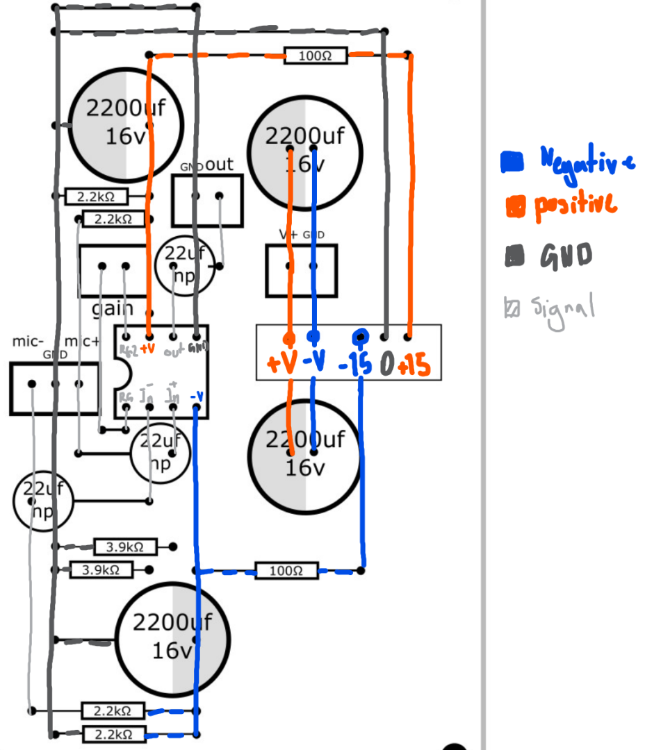
Wait I researched a bit more and found out pin 4 is actually -15v on the NMA0515SC you were correct. I've relabeled the PCB design below.

Screenshot 2022 09 24 223655
Screenshot 2022 09 24 230555

Also, I presume the capacitors that are connected to GND in the schematic have their polarity backward based on other people's pictures correct me if I'm wrong.


This post was modified 3 years ago 5 times by BIO.S
 
Posted : 25/09/2022 5:37 am
BIO.S
(@bio-s)
Posts: 15
Active Member
 

@rayamando It should get the job done the same so I wouldn't worry about it too much.


 
Posted : 25/09/2022 6:26 am
 jans
(@jans)
Posts: 2
New Member
 

Hi there. I have completed the build at first on the pcb (see first pic) but didnt get the results i was hoping for so I desoldered everything and transfered the circuit on a breadboard for troubleshooting (pic #2). I dont have an oscilloscope, so my methods are limited to multimeter and output analysis in audacity. I am really hoping none of my parts is faulty and its just a case of not putting everything together properly, but I am struggling for months to get it to work without success. I get an enourmous amount of noise which decreases when i touch the capsule and when i detach the gain resistor I get a low noise output but my voice is also really silent. I apologize for the messy setup on my breadboard but I would be happy if someone can tell me what Im doing wrong. My parts are the same as used in the video and I am using a potentiometer (two actually) for the gain settings. I also switched the orientation of the capacitors and used the correct pins for the +15V -15V on the NMA0515SC. I also substituted the diy 2200 and 3900 resistors (pic #1) to proper ones (pic #2). Any help is appreciated.

 

grafik
grafik

This post was modified 3 years ago by jans
 
Posted : 28/09/2022 9:57 am
(@askolds11)
Posts: 10
Active Member
 

What are the cheapest capture card options that are preferably from AliExpress, not Amazon?

I've built my own USB dynamic microphone (different circuit), and need to get the analog signal as USB, and I've seen the video, so I thought I'd have luck here.

I had a capture card from Amazon for 5 Euros, which was very good, but unfortunately I burnt it by most likely accidentally connecting 9V to it while testing. Unfortunately shipping from Amazon is 10 Euros, and I rarely buy anything else on there, as it is very expensive, hence the preferred AliExpress - I found the same card on there, but it's 15 Euros - the same as with shipping on Amazon!

Has anyone tested the video/audio capture cards for this purpose? I've found 2 videos on using them as audio capture cards - 1 seemed to have no noise, but didn't have it as an audio device, and the other had it as an audio device but seemed to have a lot of noise.

Right now I'm using a CM108 (as listed on AliExpress, but actually using a CM108B chip) sound card by removing the bias, but unfortunately the input seems to have a lowish max input level as I'm clipping with low gain on my preamp, but the audio is not loud enough (although usable if also using gain from the chip, but that adds noise). I think it's because the chip is meant for directly plugging in electret microphones, so it doesn't support high enough input voltage.

I apologize if this should've been a new thread, but I thought that since it's related to a component from this build, I should ask here.


 
Posted : 01/10/2022 2:24 pm
DIY Perks
(@diyperks)
Posts: 155
Reputable Member Admin
Topic starter
 

It's probably worth starting a new thread on that, actually. I've found that the Behringer LINE 2 USB is amazing (like, seriously perfect for this project and it will be used in version 2) but it may be above your budget. Might be worth dissecting one and seeing what chipset it uses.


 
Posted : 01/10/2022 9:51 pm
(@askolds11)
Posts: 10
Active Member
 

Alright, thanks, I'll start a new thread!

Also while I was making my own circuit, I was looking for ways to get clean power, I found an article on isolated DC DC converters, that seems to filter a lot of the noise, which may help someone: https://recom-power.com/en/rec-n-very-low-noise-filter-for-isolated-dc!sdc-converters-46.html?0


 
Posted : 02/10/2022 3:58 pm
(@someguy)
Posts: 21
Eminent Member
 

@millerian Did you ever figure this out?

 

I am currently stuck at this step - I am unsure what to do, as the USB Audio Interference was expensive.

photo 2022 10 14 17 25 48

---

 

Side note, this is a different thing but for the USB C breakout board, I think I own the wrong one

photo 2022 10 14 17 56 32

Link for the old USB C Breakout Board

 I ordered these ones now:
Amazon URL for USB C BreakOut Board

 

Ideally I'd like to the use the original USB C breakout board I purchased, but alas.

 

I would love to get some help on this, as I've been working on it for awhile.


This post was modified 3 years ago by Someguy
 
Posted : 15/10/2022 12:59 am
(@edwinvp10)
Posts: 1
New Member
 

Is there anyway I could buy the microphone you made in the video off you? or even pay you to make another one? 


 
Posted : 18/10/2022 9:17 am
(@mike_)
Posts: 4
New Member
 

Hello, I built the mic, but I am having noise problems 😰 

The microphone works, and I can hear myself clearly and loudly, but there is strong background noise. After running spectral analysis on the noise, it seems most of it sits in the 50hz band which would mean some sort of mains interference? I tried powering the preamp from a battery to see if it reduces the noise, but it seems to have no effect, so I am not sure where the noise is coming from.

image

Maybe it's from the switching NMA power supply? But most noise should be filtered by the 2200uf caps from that, so i'm not sure. The mic capsule is suspended, and shielded, just like in the video, so that shouldn't be the issue either. I also tried putting the pcb into a shielded box, with the shield connected to the ground of the pcb, to see it it was some outside EMI issue, but that had no effect at all.

How much power should the circuit draw? Mine uses around 200ma, which seems a bit high.

Maybe I could try adding a low pass filter on the audio output line, to get rid of the 50hz noise, but i dunno, voice frequency starts at around 80hz, so the low pass filter would probably also negatively affect the voice quality.


 
Posted : 19/10/2022 9:28 am
(@minhd)
Posts: 5
Active Member
 

@mike_ Maybe you got a similar case as the guy who made the mic in this video:

Basically, this guy also noticed some weird noise until he found out that the mesh was not properly soldered onto the brass ring. Even though the issue was the microphone case, it seemed to have a big impact. Maybe you could check if you got something similar going on at your end.


 
Posted : 22/10/2022 10:19 pm
(@pygmalion)
Posts: 21
Eminent Member
 

@diyperks Hello, I am terribly sorry to be writing here, but I need to check one thing. I have received a somewhat suspicious invitation to contact you regarding this project on telegram. Could you please confirm that this invitation is genuine? Thanks a lot. Marko


 
Posted : 24/10/2022 5:39 pm
DIY Perks
(@diyperks)
Posts: 155
Reputable Member Admin
Topic starter
 

It's a scam. Sounds unusual though - can you share screenshots of it?


 
Posted : 24/10/2022 7:51 pm
(@pygmalion)
Posts: 21
Eminent Member
 

@diyperks

diy perks

 the picture is identical...


This post was modified 3 years ago by Pygmalion
 
Posted : 24/10/2022 7:55 pm
(@someguy)
Posts: 21
Eminent Member
 

If I remove the metal that goes around the capsule it barely picks up any sound.

 

Now when I remove the cover, I get a large amount of interference, it is also insanely quiet and barely picks up sound, but when I put my lips right against the capsule then their is 0 interference, and it picks up the sound beautifully, but I dont wish to have my lips touching it to talk.

 

Any suggestions on what could cause this lack of volume, and clarity?

photo 2022 10 25 00 08 46

 

The Audio Interface is heating up significantly, and am unsure what would cause this

 


This post was modified 3 years ago by Someguy
 
Posted : 25/10/2022 7:10 am
(@pygmalion)
Posts: 21
Eminent Member
 

I liked the video very much, but this project is a Mission Impossible for me:

  1. There are too many mechanical details and it would take me too long to build it. On the other hand, I am very skilled with electronics, so this part is not a problem.
  2. In the European Union it is impossible to get this microphone at a reasonable price including shipping.

My questions are:

  1. Would the thing work reasonably well even if I did without all the mechanical details, springs, meshes, etc.? What is an absolute must for a mechanical part of the project?
  2. Is it possible to do this project with another microphone, if possible one that is available on AliExpress, as shipping from China is usually very cheap?

Thank you very much for the answers.

Marko


 
Posted : 25/10/2022 4:45 pm
DIY Perks
(@diyperks)
Posts: 155
Reputable Member Admin
Topic starter
 

Hi Marko,

 

Have you tried MicBooster for the capsule? I think he stocks them for Europe now.

 

The only mechanical part that will affect audio performance is sheilding - just make sure that you use some kind of mesh (even if it's a ready-made tea strainer) and you'll have no issues.

And yes, using an alternative capsule would be fine!


 
Posted : 25/10/2022 8:19 pm
DIY Perks
(@diyperks)
Posts: 155
Reputable Member Admin
Topic starter
 
Posted by: @someguy

If I remove the metal that goes around the capsule it barely picks up any sound.

 

Now when I remove the cover, I get a large amount of interference, it is also insanely quiet and barely picks up sound, but when I put my lips right against the capsule then their is 0 interference, and it picks up the sound beautifully, but I dont wish to have my lips touching it to talk.

 

Any suggestions on what could cause this lack of volume, and clarity?

photo 2022 10 25 00 08 46

 

The Audio Interface is heating up significantly, and am unsure what would cause this

 

Any chance you could post a short sound sample of the issue?


 
Posted : 25/10/2022 8:20 pm
(@someguy)
Posts: 21
Eminent Member
 

@diyperks Yup! I had the audio interface overheat so I am replacing that today (I got a cheap one, and it was causing issues).

 

So here it is with shielding around the capsule: Being less than 2 or 3 centimetres away from it

 

Here is with shielding, even closer to the microphone (headphone warning on this one)

 

Thank you for responding, really want this project to be completed, as it seems amazing.

 

Right now I am using alligator clips to connect the usb interface to the actual circuit, but last night I wasn't.

 

Please let me know what other information you would need, thank you for the help.

 

The biggest issue is that the sound isn't being picked up from a distance greater than 5cm, and the static I think can be solved with extra shielding around the box.

Here are random images of the current setup

6
1
2
3
4
5

This post was modified 3 years ago by Someguy
 
Posted : 25/10/2022 10:29 pm
(@pygmalion)
Posts: 21
Eminent Member
 

@diyperks 

Thank you very much for the answers.

If all that concerns the mechanical part of the project is to create a mesh, this is not a problem for me.

As for MicBooster - yes, they have JLI-255 for GBP 18 (!), shipping unknown, expensive and complicated customs procedures post-Brexit, so that's not an option...

AliExpress has a plethora of capsules on offer, e.g. 25mm capsule capsule for $5 with almost free shipping, or 34mm capsule for $10 with $5 shipping. So in principle these should work with the same electronic set up?

If so, I am willing to take a chance and try to make it work.

Marko


This post was modified 3 years ago by Pygmalion
 
Posted : 26/10/2022 8:16 pm
(@someguy)
Posts: 21
Eminent Member
 

@parker Hi Did you ever figure this out? I sort of have the same issue.


 
Posted : 27/10/2022 10:48 pm
(@parker)
Posts: 4
New Member
 

@someguy  I am currently mid Semester so I put the project on the side for now hoping this thread would expand and I could find the answer to my problems later. I listened to you recordings and they sound the same if not a little better than the results I am getting from my tests.

I suspect my problem comes from one or all of the following 4 places.

1. I use a J111 transistor in place of the 2n4416. it was easier for to to get my hands on and carries similar specs. Are you using the transistor he shows in the video?

2. I'm using a random usb audio board in place of the one he recommends in the video. Are you using the one in the video as well?

3. I'm an armature at soldering and electronics in general and am shorting my board somewhere. I plan on building a completely fresh build with new parts next build.

4. my parts are fake rip-offs and are letting me down (I really hope this is not the case as I have no way of verifying, I'm not an electrical engineer)

side note: I believe the original schematic has 2 of the large polarized capacitors rotated 180 degrees in the wrong direction however in his video they are oriented correctly. I replaced these with fresh ones and rotated them, but it did not fix my problem.

hopefully this somewhat random and long reply helps you diagnose your issue.


 
Posted : 28/10/2022 2:03 am
(@someguy)
Posts: 21
Eminent Member
 

@parker 

 

1. I am also using the J111 transistor

2. I am using the USB audio board that was recommended by DIY Perks, I accidentally broke one of the contacts on that USB audio board, purchased a random one had a MASSIVE over heating problem and ended up getting a refund on that board and now am back to the original USB audio interface.

3. I am also an amateur at soldering and electronics but i have triple checked every solder and every point of contact, so that shouldn't be the issue.

4. I dont think it's a parts issue, i ordered most of my parts from Digikey and https://www.bitsbox.co.uk/ . So it is highly unlikely they are bad parts.

 

From what you mentioned I think it may be the transistor, even though the specs match up nearly perfectly it could be that. Now what I may end up doing is ordering the recommend one, 2n4416 from ebay - I ordered this one.

 

I will test if this truly is the problem, or is the issue that is causing the sound not to be picked up properly. I really hope it is, because then it solves everything, but if it isn't then we know it isn't the J111 Transistor.

 

I really hope some others can speak further on this and provide some insight, I appreciate you responding as this gives me some insight into the build and the possible issue being the J111 Transistor


 
Posted : 29/10/2022 5:38 am
(@mike_)
Posts: 4
New Member
 

Damn it. I figured out why i'm having such big noise problems. The amp chip i bought from ali is likely fake, probably some ordinary opamp and they just printed different name on it. Main clue is that changing gain resistor does nothing at all. Problem is, the chip used in the tutorial is impossible to find in stock here. Few stores have them on ali, but there is good likelihood those are fake as well.

Are there some alternatives in stock i can try (with shipping to EU)? Will any instrumentation audio amplifier work? Where did you buy yours, people from EU?


This post was modified 3 years ago 2 times by mike_
 
Posted : 01/11/2022 9:18 am
(@pygmalion)
Posts: 21
Eminent Member
 
Posted by: @mike_

Damn it. I figured out why i'm having such big noise problems. The amp chip i bought from ali is likely fake, probably some ordinary opamp and they just printed different name on it. Main clue is that changing gain resistor does nothing at all. Problem is, the chip used in the tutorial is impossible to find in stock here. Few stores have them on ali, but there is good likelihood those are fake as well.

Are there some alternatives in stock i can try (with shipping to EU)? Will any instrumentation audio amplifier work? Where did you buy yours, people from EU?

Interesting. I found and ordered everything but the microphone from AliExpress. I hope I have better luck with the amplifier chip; it is pretty expensive, too expensive for a fake:

https://www.aliexpress.com/item/1005003225055456.html

I have ordered dozens of chips from AliExpress so far and never had any problems. Where did you get a microphone?


This post was modified 3 years ago by Pygmalion
 
Posted : 02/11/2022 6:46 am
(@mike_)
Posts: 4
New Member
 

@pygmalion that is a store with 200 followers, one sale of this chip and one comment that say it didn't arrive, so kinda risky ordering there, but maybe you will get lucky. I got the capsule from micbooster.


 
Posted : 02/11/2022 9:26 am
(@pygmalion)
Posts: 21
Eminent Member
 
Posted by: @mike_

@pygmalion that is a store with 200 followers, one sale of this chip and one comment that say it didn't arrive, so kinda risky ordering there, but maybe you will get lucky. I got the capsule from micbooster.

Didn't arrive isn't a problem - a refund.  The fact that chip is not working properly is a much bigger problem.

Micbooster is in UK, this sounds like a hell of complications after Brexit.


 
Posted : 02/11/2022 2:19 pm
(@mike_)
Posts: 4
New Member
 

When i ordered from mic booster the package came to me in EU without any complications, the postman only asked for additional i think like 10 bucks for VAT, but i didn't have to do any paperwork or anything like that


 
Posted : 02/11/2022 5:04 pm
(@tekken)
Posts: 5
Active Member
 
Posted by: @minhd

I'm still having trouble with my mic. I build the whole setup but get no sound at all. Not even noise. All components are the same and I have followed all steps according to the DIY Perks video. The only change is that I used an audio socket to connect the output of the circuit to the audio jack of the usb audio interface. Also connected the two pins of gain since it only serves as the sensitivity for the mic.

I have done the following:

  1. The yellow capacitors look different but they are bipolar/non-polarised 22uf so I should work the same. These were also tested with special equipment (device used to check capacitors).
  2. I checked the solder work and looked for any unwanted bridges between the copper lanes.
  3. Checked all resistors for continuity.
  4. I tested the usb audio interface with a different mic connected to the pc and it worked fine.
  5. I tried measuring the output that is supposed to connect to the usb audio interface and get around 10V but it gradually goes down to something like 0.7V. This value does not change when I talk into the mic. I fear that in the worst case the mic capsule might be broken. Is this a valid assumption?

I haven't checked the THAT1512 chip because I don't really know how to test it. Same for the NMA0515SC, but since I measured 10V I believe there is nothing wrong with it.

I feel like I'm very close. It might be something simple or something I overlooked.

10V? you should get 15V and -15V on the NMA0515SC thing I belive.
also add at least some resistance to the gain maybe.

 

Posted by: @justalbin

@graydon-t

@tekken

I manage to build the mic and it works perfectly, 3 and 4 were reversed on my build though so I assumed there was an error and followed the wiring diagram. 

Great, could you clarify how you connected the mic to the USB capture device/audio interface? Would be nice to rule that factor out for trouble shooting.

 

 


This post was modified 3 years ago 2 times by tekken
 
Posted : 03/11/2022 6:27 am
(@russinkaffe)
Posts: 1
New Member
 

Hello. I am buildnig two of these microphones for a school project (i'm a student in a program focusing on technology). The first prototype is built using a j112 as the main transistor and im building with the alice michrophone xlr board. This far everyting is working as expected, the only thing is the 50hz humming because of interference. I know this is because i don't have any shielding yet, what size mesh have you guys found to work the best. In my country i can only find brass mesh in size 16 or size 30, will it work? the sizes are the EU  standard not the US if they are diffrent


This post was modified 3 years ago 2 times by Russinkaffe
 
Posted : 05/11/2022 8:25 pm
Page 4 / 38