Here's a little update so far. I've got everything working. Thanks to @marcdraco i've added a mute button between the pre-amp output and audio interface input. I've also added a 1k potentiometer as gain control with a fixed minimum resistance of 100ohm (the fixed resistor is there because of a strange behavior when the potentiometer goes to 0, it seems to create some kind of ground loop, high pitched noise, dunno, not a problem with the resistance). Also added a 3.5mm jack output recicled from a laptop, in case I maybe need for some reason (always be sure to have the options).
Down some WIP on the main circuit.
Happy to be able to help. That looks great!
Β
Β
Take everything I say with a pinch of salt, I might be wrong and it's a very *expensive* way to learn!
@marcdraco I started testing the mic on a teamspeak server. When i started the test in Teamspeak it picked up something (there is a little bar that jumps up when the mic picks something up) but its only a very quiet sound like a coil whine from a gpu. This "tone" starts and then stops again but not in a rythm just randomly. Otherwise the NMA Converter gets very hot is that normal? I also put my fnger on the main Terminal with no effect. Would you suggest switching out the BF245a? Otherwise i dont know what i can do, i triple checked if i made any mistakes with my soldering and it looks like i did it right.
Likely the whine is coming from the NMA voltage converter, but I can't be sure because (cough) I've not actually built one.
My own design uses a 5v throughout - I just finished the prototype this afternoon after a LOT of false starts - single rail design is a lot harder than it should be but hey-ho.
The BFA245 is so alien to the specs in Matt's design, that would likely be the issue.
You can test it with an ammeter (NOT a voltmeter) but tying the gate to source and putting a small voltage (about 9V is enough) across the device with the ammeter in circuit. It should max out at NO MORE than 100 mA - that's quite a lot for a signal FET, but it is designed for VHF amplifiers so that's probably why.
If you have a BiFET Op Amp, I have a protype here that needs just three resistors to get it going on a single supply.
Failing that, you could always try grounding the gate through a large value resistor (>1M). I have no idea how this works without that, but it does! Something weird that I can't wrap my head around and I don't know anyone who has a satisfactory answer either. FETs need a little bit of reverse bias current (in the pico amperes) or they will take their electrons and go home. It might be the on Matt uses leaks a little other ways? I don't know... but it's sure weird.
So try the gate resistor (to 0v) first and see if that helps. Then try the current test. Most FETs for this sort of use max out at a few mAs.Β
Β
Take everything I say with a pinch of salt, I might be wrong and it's a very *expensive* way to learn!
@marcdraco Thanks for the reply sorry for the delay in my reply! The micro soldering shown in the render does not look like anything to insane. I seem to be fine with any micro soldering that does not require a hot air station for a ground plane under the chip. I am super excited about the possibility of building one of these in the near future as I am more than ready for an audio upgrade and the idea of being able to possibly improve on the design with my own ideas and for my own specific needs is something that interest me very much.
Β
I think right now my best bet is to sit on it and wait a little longer while thinking about my specific needs and to see what other breakthroughs are made because it seems like there have been improvements being made at a lightning quick rate which is very exciting and makes me truly believe we are going to be able to have a very spectacular sounding microphone for pennies on the dollar compared to professional designed microphones. The waiting is just had because I really feel like it is time to upgrade from my blue yeti I have been using for years.
I've built some prototypes on Nastyboard(tm), stripboard and even point to point and we now have a reference design that runs essentially flat from under 20Hz to over 20KHz on a single, 5V supply. None of that nasty spilt rail stuff. π
It's split (as you'll see from my earlier renders) into two parts.
1. Head unit (voltage buffer, impedance matcher)
2. Preamp.
The main difference from Matt's V1 reference is that I'm using an op amp at the head. I've haven't done a balanced line because there's really no need and there's not a lot of space on the 1" board to implement that (although I will give it a go before we send the finals to China). It's ironic that the SMD version has given me more headaches that the PDIP version, but the PDIP can do both for the larger capsules without difficulty. The PDIP does make it easier to source parts and you have a greater choice of cost vs. benefit without having to check the package specs.
The preamp is all PDIP for this reason too. I've made my "reference" design with TL072s which everyone gets a bit sniffy about but they are a reliable and easily sourced component that works at 5V. The gotcha is that the more performant "H"Β version is harder to find. That doesn't matter too much as Mouser, etc. can help you find one that will fit using parametric search. The OPA1642 (per OPA Alice) is a drop in replacement that should leave the '072 in its dust in every metric.
For the SMD design, I can't find the OPA1641 (it's a single in that variation for space right now) it looks to onlyΒ VSSOP, TSSOP andΒ SOIC so that would be a dual design and a wee bit on the tight side. Doable though. A dual allows me to deliver a single-ended OR balanced outputΒ simultaneously which means you could get a more performant head unit and drop that directly into Matt's THAT1512 pre-amp.
I'll look to do that today. I'm waiting on @diy_perks 's approval for the silkscreen, it is his original idea after all! That said, I can get a reference design out to PCBWay so we can check it over.
The 5V PDIP is as simple as this (if you're brave [!]) can be made without a PCB as there are just three resistors, all metal film. The 1G resistor is a PITA to source but realistically, any high value (I found some 22Meg) should do. Even with 40dB gain this thing reaches LINE level without breaking a sweat. A balanced design just configured the "B" amp in series to invert the signal with a couple of lowish value resistors (say 1K). This is the design used in the OPA-Alice, just changed to suit our needs.
The pre-amp is still having a few tweaks as I'm working out if there's any point in having more than a 20dB pad (gain reduction), high and low cut. Low cut rolls out frequencies about 80Hz and lower, high cut does the same for >15 Khz. For instrumental work, a presence boost (a slight lift at 6Khz) is useful but I'm having a few issues (cough) getting that right. It's either my brain or the simulator farted but the usual way doesn't seem to want to play. It might be the phase shift in the op-amps getting in the way but there's a huge peak that ought not be there!
A VU meter might be useful though - plus it adds "oh, look - blinking lights!" -- which, naturally, brings with it more power supply noise of course. One of my design constraints has been to removed anything that could add unwanted harmonics. I haven't tried the inverter Matt specified (looks pretty good) but with a jellybean ICL7660 there's a 10KHz wine from the inverter unless I add some fancy supply decoupling. This is really necessary for the USB power anyway so it's going in either way.
That's the last piece of the puzzle and my job for today - to make a dual-rail version which will perform better. Single rail is simpler to some degree, esp. where space is a consideration but it means more resistors in the signal path connected to the supplies and that means shot and Johnson noise bleed in. Not much but it's there.
I know some of you (like me) want to put this thing into a donor shell and that's not lost on me. I'll target the Neewer NW800 over the (nicer built) MX990 as they are easier to source from Amazon and at the price you can just toss the guts without your bank manager/significant other demanding to know what that re-mortgage was for.
The MX990 has a totally different motherboard so that needs measuring and laying out. Debatable if it's worth doing (as USB) though to be honest. A a studio mic though, most definitely.
So what happened to the JFET? Where did that go?
Well here's the reasoning - I've spent quite some time trying (and failing) to develop a technique which can reliably set a JFET to its "Q" point without a variable resistor in the source path. There are several methods which come with varying degrees of success but the spread of these things makes them a Β devilment. The current designs from MicParts.com (which are excellent by the way) still uses this method and even go as far as using an "off board" pin for the gate (to stop leakage through the PCB) and come with pre-selected resistors matched the actual JFET they supply. That likely pushes the cost up quite a bit.Β
But the real reason discrete JFETs are going out is they are outperformed by monolithic designs across the board and often cost a LOT less. In SMD BiFET and BiMOS op amps don't even take much board space and crush the older tech. There will likely be a reason to use discrete designs for some years, primarily in radio work but for audio, we're well served with a glut of well-designed, high performance amps that (frankly) take all the hard work AND the trimmers out of the design.
Again, I know a lot of the old-school lads will laugh at me but you only need to glance at the noise performance, ease of design and *availability* from here to Timbuktu to see why they should be preferred for new designs.
I have't included the schematic for the basic pre-amp here but it's only two (or three) 20dB (that's x10 gain) inverting amplifiers chained. The way they chain is different for single and split supplies. Single doesn't require an inverter, dual is potentially less noisy. Putting several in a chain this way with small amounts of gain allows an amp with modest GBW of a few MHz to operate easily across the audio spectrum. Try all that gain in a single stage (I've done it) and you lose the top end faster than DT's hairpiece in a gale.
I've got a THAT1512 on back order (still *ebay*!) so I can try that out too. The THAT is useful in that (that that...) it has a very high operating frequency range even at high gain in a single stage. And as Reaper mentions, this is for *pennies* on the dollar.
Couple of words of caution though, while this will out perform many microphones at the "lower" end of the market there are two things to consider.
1. The capsule. Matt picked an excellent one, as are all of JLIs but you can get better ones and this design does support them if you want to go that route, in particular the copies of the Neuman classics that use pre-energised electret plates. I do have a "real" one here that needs a 48V bias but it's a bit beyond what we're looking for here. The pre-amp we have will drive pretty much anything - I'll look into adding some 2V biasing onto the board for people who want to drive an "internal JFET" - there are loads of SDC electret that outperform even the JLI2555 in may use-cases.
2. The USB ADC. Now it's out of my skill levels to design a new one of these and really you need the facilities of a local fab house to do the prototypes as a 3-4 week turnaround for every iteration is unreasonable. But this is really the weakest link in the chain and a lot depends on which one you pick. For this reason I'm going to suggest that we have an output that is purely intended to drive a high-end USB interface. It only needs a single-ended and balanced outputs from what we already have so there's no massive issues there.
Matt called this the ultimate in DIY and we're going to make it so.
Take everything I say with a pinch of salt, I might be wrong and it's a very *expensive* way to learn!
@marcdraco So i tested your second suggestion first because i dont have a high value resistor but i will receive one tomorrow. When i measured i got 19 mA (assuming i did it right). What does this tell me?
Fast forward a couple of hours and I did some lovely graphics until the cat stood on the keyboard... (softly sobs into his warm beer).
We can reasonably assume that any op amp (yes, even a lowly 741) has pretty low distortion so that's not really an issue, particularly at low gains of 20dB and especially unity. We can thank a bloke called Harold Black for that discovery - which saw him laughed at by the US patent office. He had a the last laugh in the afterlife though.
Black discovered that by giving an amp a stupid amount of voltage gain and then throwing (almost) all of it away he could reduce distortion to much lower levels.
This applies to op amps and it's a fundamental part of how they work, but we still do need gain in most applications - 40dB is good for a mic like this (although I'll endeavour to make it a little more precise for the JLI capsule). It's a good starting point though at leads to the easiest feedback calculations.Β
For an inverting amp, the gain is given by 1+ the feedback impedance divided by the input impedance. So 1K in and 10K in feedback gives you x10 (11 actually but 10 is close enough for this) which is 20 dB. 1K with 100K feedback is 101x or roughly 40dB and 1K with 1Meg is 1001x or 60 dB. Nice and easy.
You *can* put all of that in a single stage- that's what makes the 1512 so attractive - but the Gain Bandwidth (GBW) of most op amps limits you somewhat. Here's a chart of an OP07 at various degrees of gain. Looks pretty good until you look closer at the frequency range at the bottom... then it looks a bit ... pale.Β
Opening up so we can see the audio spectrum is pretty soul destroying with the OP07 performing worse than the ageing TL07x series - shown here at 60dB gain in cyan vs. the magenta of the TL072! Neither is much good though.
So if we drop in a *really* fast amp, the LTC6523 we can see that fairly high gains are possible with the right gear - this has a GBW of 720MHz!
But really that's going to silly extents and you'd think there's a better method, right?
Turns out that if you chain several stages at lower gain (say a modest 20 dB (10x) a stage) you only need three stages to get something that looks like this:
While it's unlikely we could achieve such "flat" gain in practise, it shows how even a modest, jellybean can perform at levels we'd expect to pay a lot more for!Β
So how does this work? Isn't everything cumulative? 10 x 10 x 10 = 1000 which means that's 1000x the distortion and 1000x the noise - something has to give doesn't it?Β
Distortion is modest to begin with on on these amps due to negative feedback. The greater the negative feedback the more distortion is reduced - which is why manufacturers often give the figure at unity gain with 100% negative feedback. It's all the sales division ... So at a gain of 20 dB distortion isn'
Single stage THD at gains of:
Unity: 0.002%
20dB:Β 0.002%
40dB:Β 0.036%
60dB:Β 0.282%
And for a triple stage (60 dB)
0.0093%
Which rather speaks for itself!Β
What makes this rather beautiful and is part of the beauty of op-amps is that by and large, you can drop the same package into a circuit provided you match the supply voltage and common mode expectations but for "small" swing AC like this you don't need worry about common mode errors, phase inversion and some of the other little nasties that can jump and bite you right on the glutes!
So you can make a design like this (on your bench) with TL072s and then drop in OPA1642s when funds allow and enjoy a greatly improved performance. I don't have the TINA simulator on this machine and I'm not that familiar with it but on paper the improvements should be significant. The great thing about using (socketed) PDIPs is you can make your circuit up on some Vero and if you do blow an IC you can do it with something that isn't going to cost you several major organs. As tough as they are, even 741s can break...
The real bonus of using better specced amps is (provided you choose carefully) so don't be the guy this knight was talking too, that would be very bad.
Noise is the only factor remaining that separates an OK mic (Blue Yeti, Neewer NW800 etc.) from the the greats. Electrically anyway and my aim has always been to get that as low as practical within a reasonable budget while staying close to Matt's original ideas.
More follows when I get the tests done!
Take everything I say with a pinch of salt, I might be wrong and it's a very *expensive* way to learn!
Ach! I hate Texas Instruments sometimes. Get an OPA "precision BiFET audio amp", they said, "Low distortion, high impedance" they said.
OK, I'm making a funny but here are some measured noise figures from my old Mac using an OPA2132 (in yellow) a TL072 in red and our mystery device in green.
In real terms, noise performance isn't *bad* on any of these but in quiet environments you're obviously going to to want the lowest noise you can get. The tradeoff here is that the mystery device delivers unity THD of around 0.06% which sounds a LOT worse than it really is - spec sheets would have you believe THD is the be all and end all, but TID (transient intermodulation distortion) is far worse to our perception of sound. I don't know how to measure it but I raise the spectre because no one really talks about it.
The really neat thing about this mystery device is there are multiple alternatives that should drop in without issue and better get, a good amount of that noise could actually be coming from the rest of my circuit since I just grabbed a few parts from the bins without really looking to see if they were "low noise".
So... back to the drawing board I go, but fortunately it's only a minor change so it's not going to hold anything up and unlike a VERY high-frequency op amp I tried earlier, it's not going to burn your pinkies if it goes into oscillation thanks to parasitics on the Cheapoboard - because it has a gain of about 0.8 at all frequencies.Β
Take everything I say with a pinch of salt, I might be wrong and it's a very *expensive* way to learn!
Sorry to hear about your graphics, Marc. That did give me a chuckle, though! May I ask what you're using to make your measurements?
I'm intrigued as to what mystery device you have measured so eagerly awaiting more!
Well the first batch of prototype boards for the head unit arrived this morning. These are the ones without the LED and use a discrete JFET - the device I've alluded to above.
Although op amps perform better in most metrics, even the much vaunted OPA1642 is a good 5x noisier than a discrete FET so for this stage which is simply dropping the impedance from some ludicrous amount down to something more sensible ... well, here it is. There's a small circuit on the pre-amp (which I'll move to this board) to linearise the JFET but I think most commercial mics (this side of a few 100) would be hard pressed to match it in noise performance. I just need to figure out how to calculate it dbA weighted... I'm having far too much fun with it for that though. π
Take everything I say with a pinch of salt, I might be wrong and it's a very *expensive* way to learn!
Wow, that looks amazing! That's so much neater than soldering the FET to the mic as per the original design. Very professional!
It's a bit of a squash to use through-hole stuff on such a small board - and this one needs a little more love - if only I hadn't thrown it away in disgust... π
So many options in surface mount though - my head is spinning. I could probably fit an entire pre-amp on that board using the really (REALLY) small parts like the 201s which are under a 1 mm (!) in both length and width. If I sufficiently confident it would work, I'd do that too but as it is...
Take everything I say with a pinch of salt, I might be wrong and it's a very *expensive* way to learn!
If Matthew will permit me a slight indulgence, my friend is about to have her first child so I've named this version of the board after him. This is a complete, but highly simplified FET driver that will suffice for "FETless" capsules like the various clones of the JLI2555.Β
It will also work *with* the JLI2555 and even the larger capsules but it's stripped back to the "bear" necessities (those simple bear necessities, forget about your trouble and your strife...)
Supply is from 1.5 to about 9v, single ended. Output is ground referenced and delivers a gain of about x30 which is enough to drive a typical microphone input. I should stress though, this is not HiFi (not even close) and is more akin to the simple sound we get from normal electrets. Still pretty good (with a decent capsule!) but not that linear.Β
Will work with FETs like the K596, LSK170A and others (but watch the pinch-off doesn't exceed the supply voltage).Β
Β
As for the fancier version -- that's coming (really). It's largely a matter of how many versions are practical. I did a fully surface mounted one which has absolutely stellar performance (on paper anyway) but the difficulty in making such a thing has meant it's been shelved for now. If anyone wants the design to try it, at your own risk, drop me a PM.
Β
Take everything I say with a pinch of salt, I might be wrong and it's a very *expensive* way to learn!
This is the first SMD design and as you can see, it's a hybrid. Output is single-ended (per the Isaac) but at much lower level (about 0.8 uV out for 1 uV in) although the distortion is greatly reduced and this one is capable of very low distortion with a capsule of appropriate quality. In my tests it requires between 40 and 60dB of gain to realise a proper signal level (so, again, this is for medium to high-impedance microphone circuits. Low impedances would require the use of a larger output blocking capacitor.Β
Noise levels are largely dependent on the choice of JFET but the same ones used with the Isaac will deliver excellent results.
Take everything I say with a pinch of salt, I might be wrong and it's a very *expensive* way to learn!
I'm learning to SMD solder and I'm very excited for the updated plans to give this a shot! I'd be happy to share my experience π For now, I'll continue with my practice boards π
@marcdraco Hello again. Since i didnt got the mic working i ordered the 2n4416. It arrived today and i installed it right away. Since it was the only thing that was different from the orginal circuit i thought that it now should work but i didnt. The mic responds to very loud sounds and when i touch the center Terminal but it still isnt working properly. Is there a way to test if Mic itself is broken since its the only thing that i can think of. When i move it, it makes a rattling sound (like a little spring thats flying around) is that normal?
@jmealo I can send you the Gerbers for "Ella" if you would like them. I'm still working on the final SMT design "Zaphod" because it has two FET heads (that's a Hitchhiker's Guide reference in case you're not familiar). In simulation it can rock 40 (x100) or even 60 dB (x1000) gain in a single stage without losing performance but with an SMD op-amp on the board it's a bit of a squash!
Take everything I say with a pinch of salt, I might be wrong and it's a very *expensive* way to learn!
This is an Isaac built on a bit of Nastyboard to test the circuit.Β
Take everything I say with a pinch of salt, I might be wrong and it's a very *expensive* way to learn!
@g3nts what jst connectors did you use.Β i just received my printed boards and the 2.54 xh connectors are too large.Β though the dip socket fits perfectly so I don't think it's a production issue.
Thanks
First off, sorry this is taking so long, like Matt, I'm something of a perfectionist and in pursuit of excellence (but while still being practical for the home builder) this has been a long road. @axy_david I haven't forgotten you!
After a lot of experimentation and some graceful suggestions from Matt, I've finally arrived at a working version of the Hannah microphone head (named for my friend). The design is based on an original by Chris Featherstone of Texas Instruments and as you might guess, performance is nothing less than superb. Noise levels - even on strip board are inaudible. When I have a performant head unit, worthy of Matt's design, I'll publish it here. I haven't tried this version in that head unit as EMI pickup is a real issue without adequate screening. Β
While it needs a PCB and some love on the PSU, it sounds as good as this chart looks - only really restricted by the choice of capsule which, thanks to Matt @diy_Perks, isn't a real issue! π
Thanks Chris' advanced "transimpedance" design we're able to enjoy a spectacular 40dB (x100) gain without having to resort to exotic op-amps, weird matched JFETs (.... don't get me started on matched JFETs...) or multiple stages so noise remains very low indeed. I just grabbed two random K170s from stock, lashed up an OPA2134PA Burr-Brown audio op amp and some batteries and boom! Took me an hour to make and most of the afternoon and evening to figure out where I'd bodged something on the strip board... Soldering error on my part on the output: whoops!
Even with a simple current source shown here using a 2N2222, a couple of resistors and the compulsory red LED (other colours are possible with small modifications) distortion is exceptionally low although (sub 0.01% at 1KHz). An op-amp version would drive that lower still, this is on my list to do since I've used a dual TI Soundplus OPA2134 (other op amps will work just as well, even a TL072 or ... deep breath, a 741 should work in this circuit with a slight reduction in performance, but as sniffy as people get the 741 is actually fine for audio and saw use in many professional mixers.)Β
Design notes:
D1 is a red LED (ignore the part number!) but watch the current as it's only used as a voltage reference to push the base of Q1 to about 2.2V. This gives us 2 mA of quiescent current for the two FETs linearising their response switching them from "iffy-Fi" into "hi-fi".Β
Loop gain is set by R4 and R5 with x100 as shown. It is possible to push this to x1000 (or more) with the correct resistors with the risk of increased noise due to the high gain. Further the bandpass capacitors C1 & C2 determine the upper and lower bandwidth limits and are directly affected by the R4 and R5.
Low frequencies are rolled off in the feedback loop by the combination of the 4u7 and 2k2 resistor. At "high" frequencies the capacitor passes everything allowing the gain to be controlled by the R4/R5 but as the frequency begins to drop and the capacitor's reactance begins to rise, it limits the gain by increasing the series impedance of R5 with a 3dB point at about 15Hz (where the capacitor's reactance is equal to that of R5). Β The site cited below* has an interactive calculator which can give you values at speed so you can decide how to proceed.
You'll note though, reducing the value of R2 to get more gain (say 220R for 60dB) requires a 47u capacitor to roll of the low-end. Don't skimp on this one and don't mess with the values - electrolytics have appalling tolerances (often 20%) which means a 47 might measure 40 some uF which will impact on performance. Low ESR reduces heating but that's less important than a good quality component. I've kept the values higher to allow for an SMD design where we can get ceramic capacitors up to 10 uF and perhaps more.
If you're experimenting with resistors, perhaps you don't have these in stock or want different values, the trick is to remember that the -3dB point is reached when the two impedances match. The reactance of an ideal 47u capacitor is 220 ohms at 15Hz. (The same is true for the shunt high pass R2/C4.)
A second filter is formed by R2 and C4 reduces the "effective" impedance of R2 at higher frequencies allowing more negative feedback in the loop and reducing high-frequency components. I've omitted it in my test build because it's quite small and much of the HF component will be polished off by the suggested op amps (as they have only modest gain beyond a few 100KHz).
The following chart shows the noise response from the mic referenced to 0dB - you'll note that most of the noise (which isn't really audible without further amplification is bundled around 50Hz and a couple of harmonics nearby - this is entirely due to Β inadequate screening since this is still a very early prototype. This design is intended to upgrade mics like the Newer NW800 and similar donor bodies but with care can be inserted into Matt's original. I'll hopefully be able some have PCBs made up for the Neewer and others with P48 and balanced output, but most of us can get by perfectly well with a 5V USB and a digitiser.
The cheaper the body the better (we're chucking the guts out anyway) and everything but the PSU can be sited in the case. The power unit needs more work to stop stray noise and I have to do a P48 supply version... but right now the focus is on the USB-C ADC from a single 5v supply. P48 is the phantom power used in professional grade microphones and I expect this design will throw a lot of mics into shade thanks to recent developments in semiconductor technology.Β
Note the supply is +/- 5v for this design although it will tolerate +/- 9v, some adjustments would be needed to operate it at +/15v per Matt's original. I'm currently working on a head unit to adapt the DIY Perks Desktop design to take full advantages of the new developments. Β
*Sas, W. "Capacitive Reactance Calculator". Available at: https://www.omnicalculator.com/physics/capacitive-reactance. Accessed: 22 March 2023.
Β
Take everything I say with a pinch of salt, I might be wrong and it's a very *expensive* way to learn!
For those following development, this is the first version of the *full* Hannah microphone. This puts the entire pre-amp circuit with a 40dB gain at the head on a 1" diameter board. Subject to final check, this and the V8 version (with a PDIP op amp) are off to a fab house this week! I'm using largish SMD parts so they can be handled with tweezers or small long-nosed pliers.
This will fit into the head basket (the transistors have to be pushed through of course) and it does require a 5v split supply which is coming shortly so there's not much to change from Matt's original hardware. The improvement in performance is impressive on paper but sonically... that's anyone's guess. I don't have an anechoic chamber and reference speaker to test lt.
There's a chance I might do a third, fully SMT version but I've found it's far easier to source non-SMT active components even though this design does require one, I hope to have arranged at least one supplier for kits, but many parts are interchangeable by design.
Update: here's the final Hannah i40 (inner PCB shields, 40dB gain) head amp which is now off at JLBPCB for production.
A couple of things to note. The matched pair of JFETs will add quality to the sound but the design will work with (say) LSL170s if you're really, really careful about soldering through-hole parts to the surface. I've marked out the positions of each pin function for all of the major semiconductors. The LED can be swapped out for a resistor to reduce noise (not that I can hear any) but the voltage needs to be about 2.1V at the base set by R10 (on the schematic above). If circuit design isn't your thing, it's probably best left alone.
The (a) revision adds an input capacitor which isn't necessary for electret designs like the JLI2555 Β but will allow this drive to work with 45-80V biased capsules.Β
I watched some Rick Hartley on PCB design and revised the design to give the energy a more consistent way to flow around the board. There are four layers, but two inner ones are purely copper pour acting as return paths for the signals to reduce crosstalk.
If anyone is crazy enough to try out the *untested* Gerbers, drop me a PM. I suggest everyone waits for me to build a prototype, as this currently only exists in simulation and hack-a-board:
The major parts this is designed for are:
OPA202IDBVR (Texas, single high-quality audio op amp: https://www.ti.com/product/OPA202?qgpn=opa202 ).
CMPT3904E (Central Semiconductor, NPN BJT)
JFE2140 (Texas, dual high-performance matched FET pair). Β This device really is the jewel in this design (originally by TI) with hat-tip to @diy_perks for suggesting its little brother. This is where you can slam a couple of through-hole FETs if you can't get the 2140. Performance on my own was measured with K170s and it was surprisingly good - esp. when you consider the matched pair (and TI claim they are matched, despite JFET reservations!) perform considerably better in noise terms.
Take everything I say with a pinch of salt, I might be wrong and it's a very *expensive* way to learn!
@gibran80 Looks about 20mm wide I would guess. I think Matt's original sizes are in the video but YMMV. The mic is a 25mm diameter which means the basket is slightly larger (perhaps 28mm) which works out at about 90mm (to be safe) in length.
A lot depends on how tight you can form the basket around the capsule.
Take everything I say with a pinch of salt, I might be wrong and it's a very *expensive* way to learn!
Okay, so I'mm assuming my mic works now, but I can only test it outside the enclosure, so I get a lot of noise, but I can faintly hear other sounds. Th last thing I have to do is connect the USB type-C breakout board to the A/D converter dealie.
This is the breakout board I have:
Ground, and the two data connections are obvious, but the V+ isn't. I'm assuming it's VBUS, in the case of a USB 2.0 device, right? Just checking.
Edit: Nevermind. Just checked the video and it's labelled VBUS on there.
Though, I just plugged it in for another test and there's nothing. No power. I also don't have continuity from any ground on the circuit to the shielding, though. I remembered That I didn't want to do that up by the capsule, so I've yet to connect circuit ground to the chassis and mesh. But then...it wasn't connected before, either, and at least the USB adapter powered on and windows picked it up. The only change since then has been wiring the USB adapter to the breakout board
Β
Edit - Hopefully the last. I remember now! The connector that takes power to the board, has the red and black leads reversed, and can only be inserted one way. It's been so long since I looked at this thing, that i'd forgotten. So naturally, I just looked ad the colour of the wires and...well, you know. So I wired the breakout board's power connections backwards to the adapter. DERP.
Hmmm...Not sure what's up. Here's a recording on the maximum gain setting. Just snapping my fingers. At different distances
@ashleigh Oh yeah I know that one well. Your screen isn't connected properly somewhere by the sound of it. I can't speak to the THAT1512 but on my design which is similar, if simpler, if the screen isn't working properly you pick up 50/60 Hz mains hum (and 100/120Hz first harmonic) and that gets amplified 1000 fold (at 60dB) which means the amplifier is "overloaded" and what you can hear is the last gasp of energy. It's easier to see this on an oscilloscope, but you might pick up a hint in something like Audacity as that can show you the waveform.
This is an experimental recording (it's too rude to play) but part way through I deliberately screamed into the mic to make it clip.
Β
See how the low frequency component is fairly flat and the way the signal drops off over 5-10KHz? The chunk in the middle is me goofing around and even clipping the mic which creates higher frequency harmonics. I don't have a silent test at the moment as I'm waiting for the new boards to arrive with vastly improved performance.
Zoomed in you can see the early part of this waveform clipping right off the top and bottom.
Your recording as an MP3 (which has been mashed by the compression, etc.) shows several features which point to shielding issues. Look at the infrasound region from 1-20Hz and compare it to mine. Although these aren't side-by-side (let alone normalised for levels) you can see the shape of the bump means your system is picking up and amplifying very low frequencies which you can't hear, but that DO drain energy from the supply capacitors and beyond. A little further up is a tell-tale peak at 50Hz and an even larger one at its first harmonic with a couple more further up the range. This shows you're picking up stray radiation from the mains which points at a screening issue: somewhere.
Similarly, the very high-frequencies are being amplified and it looks like you might have some oscillation going on there too, likely as a result of EMI getting back onto the input lines.
Almost everything here appears to be down to screening issues so you should check those first. Make sure you've followed Matt's instructions for the faraday cage (head basket) to the letter and that it's attached properly at both ends. Same with the screen inside the case as it's open to low-level EMI and with a 1000x gain, you'll hear the erucations of from an ant colony at 100 paces.
Β
Take everything I say with a pinch of salt, I might be wrong and it's a very *expensive* way to learn!
Sorry to be a bother, but could someone send me a direct link to the capacitors needed? I've spent more time and money than I'd like to admit trying to find the correct components on bitsbox but none of the right capacitors seem to be there.
These are what I have now, but I didn't realize until it was too late that these are not non-polarized. Looking around Bitsbox I can't find seem to find a non-polarised version anywhere
2200uF 16V Electrolytic
0.22uF 50V Electrolytic
The 2200uF electrolytic won't need to be non-polar. It only goes in one way because it's for supply decoupling.
You can "make" a 0u22 capacitor by putting two polarised 0u47 ones back to back (negative to negative) in series but with such a small value you won't need electrolytic any more unless you're looking to keep to the same size. I gather we can get 10u (and more!) in surface mounted CERAMICs now...Β
You'll probably find them on eBay, the in-circuit voltage won't exceed 30 volts (and is likely around half of that or less for the coupling -- it's been a while since I studied the schematic and the cat is bugging me).
If you're still having issues, give me a holla in a few days and I'll take another look.Β
Capacitance doesn't matter too much so long as you go larger (it only matters in timing circuits). Same with the voltage. Just get the next larger voltage you can find. Larger voltages ones are just physically larger. If you're stuck for space you can get a LOT of capacitance in a tantalum bead but they are nasty little blighters if you wire them wrong!
Take everything I say with a pinch of salt, I might be wrong and it's a very *expensive* way to learn!
Sorry to be a bother, but could someone send me a direct link to the capacitors needed? I've spent more time and money than I'd like to admit trying to find the correct components on bitsbox but none of the right capacitors seem to be there.
These are what I have now, but I didn't realize until it was too late that these are not non-polarized. Looking around Bitsbox I can't find seem to find a non-polarised version anywhere
2200uF 16V Electrolytic
0.22uF 50V Electrolytic
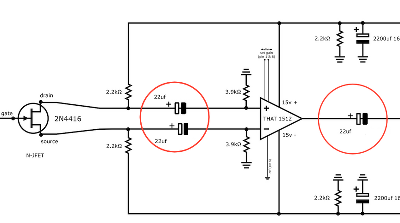
The 2200uF are polarised - see the schematic.
The 22uF non-polar can be polarised. Connect the +ve end to the 2K2 resistors.
Here's a scrappy modification to Matt's schematic that will show you how they go:
Β
Take everything I say with a pinch of salt, I might be wrong and it's a very *expensive* way to learn!
@marcdraco I did something different with the hardware, but everything is surrounded with either mesh - 2 layers around the capsule, soldered together -or adhesive copper shielding around the circuitry I'll check that it all has continuity to...I guess the ground right at the USB-C board.
I assume that the ground strips on the circuit board, need to be connected to the screening. I didn't notice anywhere where that would happen naturally, so I just soldered a wire from the ground on the board, straight to the shielding.
Β I just plugged it in and looked at Audacity as I moved it around and put it near various things...I made a pretty good EMF meter!
I just checked, and all the shielding has continuity to the ground pin of the USB-C socket. Maybe the mesh being about 10mm away from the capsule is an issue? I don't see why, cus I see that capsule used in other mics with some space between. I don't think it's the size of the mesh. It's like 1mm holes one the inner layer, and about 4 on the thicker outer layer.
Β Oh. There is a resistor from the center tab of the capsule to ground. IIRC, someone said that really should be there. Tommorow, I'll look into that. Cus if it's the same value as the ones I got wrong on the board, then it would have come out of the same mis-labelled zip-lock bag. But since it's not in the video, and other people seem to be leaving it out with no problems, I'll try snipping it out
Β Edit. It looks like 1M. It's hard to say. The browns can be pretty dark! π
AHH! It was the resistor!
Β I feel kinda foolish now!
Β



























